在交通標志升級改造工程中,有時候,需要對現有標志桿件進行結構驗證,計算將普通標志更換為主動發光標志后,現有桿件是否還能適應結構承重。本文例舉2400mm*2640mm的點陣發光標志的配套桿件(立柱:273mm*8mm*7600mm;懸臂:159mm*4.5mm*3180mm*2根),以供同行參考。
1 設計資料
1.1 板面數據
1)標志板A數據
板面形狀:矩形,寬度 W=2.4(m),高度 h=2.64(m),凈空 H=5.5(m);
標志板材料:發光標志。單位面積重量:20.001(kg/m^2)
1.2 橫梁數據
橫梁的總長度:3.18(m),外徑:159(mm),壁厚:4.5(mm),橫梁數目:2,間距:0.94(m)
1.3 立柱數據
立柱的總高度:7.6(m),立柱外徑:273(mm),立柱壁厚:8(mm)
2 計算簡圖

3 荷載計算
3.1 永久荷載
1)標志版重量計算
標志板重量:Gb=A*ρ*g=6.336×20.001×9.80=1241.918(N)
式中:A----標志板面積
ρ----標志板單位面積重量
g----重力加速度,取9.80(m/s^2)
2)橫梁重量計算
橫梁數目2,總長度為3.18(m),使用材料:碳素鋼、合金鋼無縫鋼管,單位長度重量:17.147(kg/m)
橫梁總重量:Gh=L*ρ*g*n=3.18×17.147×9.80×2=1069.215(N)
式中:L----橫梁的總長度
ρ----橫梁單位長度重量
g----重力加速度,取9.80(m/s^2)
3)立柱重量計算
立柱總長度為7.60(m),使用材料:碳素鋼、合金鋼無縫鋼管,單位長度重量:52.284(kg/m)
立柱重量:Gp=L*ρ*g=7.60×52.284×9.80=3894.112(N)
式中:L----立柱的總長度
ρ----立柱單位長度重量
g----重力加速度,取9.80(m/s^2)
4)上部結構總重量計算
由標志上部永久荷載計算系數1.10,則上部結構總重量:
G=K*(Gb+Gh+Gp)=1.10×(1241.918+1069.215+3894.112)=6825.77(N)
3.2 風荷載
1)標志板所受風荷載
標志板A所受風荷載:
Fwb=γ0*γQ*[(1/2*ρ*C*V^2)*A]=1.0×1.4×[(0.5×1.2258×1.2×26.30^2)×6.336]=4512.587(N)
式中:γ0----結構重要性系數,取1.0
γQ----可變荷載分項系數,取1.4
ρ----空氣密度,一般取1.2258(N*S^2*m^-4)
C----標志板的風力系數,取值1.20
V----風速,此處風速為26.30(m/s^2)
g----重力加速度,取9.80(m/s^2)
2)橫梁所迎風面所受風荷載:
Fwh=γ0*γQ*[(1/2*ρ*C*V^2)*W*H]=1.0×1.4×[(0.5×1.2258×0.80×26.30^2)×0.159×0.464]=34.992(N)
式中:C----立柱的風力系數,圓管型取值0.80
W----橫梁迎風面寬度,即橫梁的外徑
H----橫梁迎風面長度,應扣除被標志板遮擋部分
3)立柱迎風面所受風荷載:
Fwp=γ0*γQ*[(1/2*ρ*C*V^2)*W*H]=1.0×1.4×[(0.5×1.2258×0.80×26.30^2)×0.273×7.60]=985.134(N)
式中:C----立柱的風力系數,圓管型立柱取值0.80
W----立柱迎風面寬度,即立柱的外徑
H----立柱迎風面高度
4 橫梁的設計計算
由于兩根橫梁材料、規格相同,根據基本假設,可認為每根橫梁所受的荷載為總荷載的一半。
單根橫梁所受荷載為:
(標志牌重量)
豎直荷載:G4=γ0*γG*Gb/n=1.0×1.2×1241.918/2=745.151(N)
式中:γ0----結構重要性系數,取1.0
γG----永久荷載(結構自重)分項系數,取1.2
n----橫梁數目,這里為2
(橫梁自重視為自己受到均布荷載)
均布荷載:ω1=γ0*γG*Gh/(n*L)=1.0×1.2×1069.215/(2×3.18)=201.644(N)
式中:L----橫梁的總長度
(標志牌風荷載)
水平荷載:Fwbh=Fwb/n=4512.587/2=2256.293(N)
4.1 強度驗算
橫梁根部由重力引起的剪力為:
QG=G4+ω1*Lh = 745.151 + 201.644×2.76 = 1302.393(N)
式中:Lh----橫梁端部到根部的距離,扣除與立柱連接部分的長度
由重力引起的彎矩:
MG=ΣGb*Lb+ω1*Lh^2/2
= 620.959×1.663 + 201.644×2.76^2/2
= 1802.935(N*M)
式中:Gb----每根橫梁所承擔的標志板重量
Lb----標志板形心到橫梁根部的間距
橫梁根部由風荷載引起的剪力:
Qw= Fwbh+Fwh= 2256.293+34.992=2291.285(N)
式中:Fwbh----單根橫梁所承擔的標志板所傳來的風荷載
Fwh----單根橫梁直接承受的風荷載
橫梁根部由風荷載引起的彎矩:
Mw= ΣFwbi*Lwbi + ΣFwhi*Lwhi
= 2256.293×1.663 + 45.297×0.163
= 3761.453(N*M)
橫梁規格為φ159×5,截面面積A=2.184×10^-3(m^2),截面慣性矩I=6.523×10^-6(m^4),截面抗彎模量W=8.205×10^-5(m^3)
橫梁根部所受到的合成剪力為:Qh= (QG^2+Qw^2)^1/2= (1302.393^2+2291.285^2)^1/2= 2635.567(N)
合成彎矩:Mh= (MG^2+Mw^2)^1/2= (1802.935^2+3761.453^2)^1/2= 4171.224(N*M)
1)最大正應力驗算
橫梁根部的最大正應力為:
σmax= M/W= 4171.224/(8.205×10^-5)= 50.84(MPa) < [σd] = 215(MPa),滿足要求。
2)最大剪應力驗算
橫梁根部的最大剪應力為:
τmax= 2*Q/A= 2×2635.567/(2.184×10^-3)= 2.413(MPa) < [τd] = 125(MPa),滿足要求。
3)危險點應力驗算
根據第四強度理論,σ、τ近似采用最大值即:
σ4= (σmax^2 + 3×τmax^2)^1/2= (50.84^2 + 3×2.413^2)^1/2= 51.011(MPa) < [σd]= 215(MPa),滿足要求。
4.2 變形驗算
橫梁端部的垂直撓度:
fy = ΣGb*lb^2*(3*Lh-lb)/(γ0*γG*6*E*I) + ω1*Lh^4/(γ0*γG*8*E*I)
= 745.151×1.663^2×(3×2.76-1.663)/(1.0×1.2×6×210.00×10^9×6.523×10^-6)
+ 201.644×2.76^4/(1.0×1.2×8×210.00×10^9×6.523×10^-6)
= 2.28(mm)
式中:Gb----標志板自重傳遞給單根橫梁的荷載
lb----當前標志板形心到橫梁根部的間距
水平撓度:
fx = ΣFwb*lb^2*(3Lh-lb)/(γ0*γG*6*E*I) + ω2*L2^3*(3Lh-l2)/(γ0*γG*6*E*I)
= 2256.293×1.663^2×(3×2.76-1.663)/(1.0×1.2×6×210.00×10^9×6.523×10^-6)
+ 75.495×0.463^3×(3×2.76-0.463)/(1.0×1.2×6×210.00×10^9×6.523×10^-6)
= 4.201(mm)
合成撓度:
f= (fx^2 + fy^2)^1/2= (4.201^2 + 2.28^2)^1/2= 4.78(mm)
f/Lh = 0.00478/2.76= 0.0017 < 0.01,滿足要求。
5 立柱的設計計算
立柱根部受到兩個方向的力和三個方向的力矩的作用,豎直方向的重力、水平方向的風荷載、橫梁和標志板重力引起的彎矩、風荷載引起的彎矩、橫梁和標志板風荷載引起的扭矩。
垂直荷載:N= γ0*γG*G= 1.00×1.20×6825.77= 8190.925(N)
水平荷載:H= Fwb+Fwh+Fwp= 4512.587+69.984+985.134= 5567.705(N)
立柱根部由永久荷載引起的彎矩:
MG= MGh*n= 1802.935×2= 3605.87(N*M)
式中:MGh----橫梁由于重力而產生的彎矩
n----橫梁數目,這里為2
由風荷載引起的彎矩:
Mw= ΣFwb*Hb+ΣFwh*Hh+Fwp*Hp/2= 30775.842 + 477.288 + 3743.51= 34996.64(N*m)
合成彎矩
M= (MG^2+Mw^2)^1/2= (3605.87^2+34996.64^2)^1/2=35181.914(N*m)
由風荷載引起的扭矩:
Mt= n*Mwh= 2×3761.453= 7522.907(N*m)
式中:Mwh----橫梁由于風荷載而產生的彎矩
立柱規格為φ273×8,截面積為A=6.66×10^-3(m^2),截面慣性矩為I=5.852×10^-5(m^4),抗彎截面模量為W=4.287×10^-4(m^3),截面回轉半徑i=0.094(m),極慣性矩為Ip=1.17×10^-4(m^4)
立柱一端固定,另一端自由,長度因數μ=2。作為受壓直桿時,其柔度為:
λ=μ*Hp/i= 2×7.60/0.094= 162,查表,得穩定系數φ=0.295
5.1 強度驗算
1)最大正應力驗算
軸向荷載引起的壓應力:
σc= N/A= 8190.925/(6.66×10^-3)(Pa)= 1.23(MPa)
由彎矩引起的壓應力:
σw= M/W= 35181.914/(4.287×10^-4)(Pa)= 82.067(MPa)
組合應力:σmax= σc+σw= 1.23+82.067= 83.297(MPa)
σc/(φ*σd)+σc/σd= 1.23/(0.295×215)+82.067/215= 0.401 < 1,滿足要求。
2)最大剪應力驗算
水平荷載引起的剪力:
τHmax= 2*H/A= 2×5567.705/(6.66×10^-3)(Pa)= 1.672(MPa)
由扭矩引起的剪力:
τtmax= Mt*D/(2*Ip)= 7522.907×0.273/(2×1.17×10^-4)(Pa)= 8.774(MPa)
合成剪力:τmax=τHmax+τtmax= 1.672+8.774= 10.446(MPa) < [τd]= 125.00(MPa),滿足要求。
3)危險點應力驗算
最大正應力位置點處,由扭矩產生的剪應力亦為最大,即
σ=σmax= 83.297(MPa), τ=τmax= 10.446(MPa)
根據第四強度理論:
σ4= (σ^2+3*τ^2)^1/2= (83.297^2+3×10.446^2)^1/2= 85.239(MPa) < [σd]= 215(MPa),滿足要求。
5.2 變形驗算
立柱頂部的變形包括,風荷載引起的縱向撓度、標志牌和橫梁自重引起的橫向撓度、扭矩引起的轉角產生的位移。
風荷載引起的縱向撓度:
fp= (Fwb1+Fwh1)*h1^2*(3*h-h1)/(γ0*γQ*6*E*I) + Fwp1*h^3/(γ0*γQ*8*E*I)
= (4512.587+69.984)×6.82^2×(3×7.60-6.82)/(1.00×1.40×6×210×10^9×5.852×10^-5)
+ 985.134×7.60^3/(1.00×1.40×8×210×10^9×5.852×10^-5)
= 0.0361(m)
fp/D= 0.0361/7.60= 0.005 < 0.01,滿足要求。
立柱頂部由扭矩標準值產生的扭轉角為:
θ=Mt*h/(γ0*γQ*G*Ip)= 7522.907×7.60/(1.00×1.40)×79×10^9×1.17×10^-4= 0.0044(rad)
式中:G----切變模量,這里為79(GPa)
該標志結構左上點處水平位移最大,由橫梁水平位移、立柱水平位移及由于立柱扭轉而使橫梁產生的水平位移三部分組成。該點總的水平位移為:
f= fx+fp+θ*l1= 0.004+0.0361+0.0044×3.00= 0.054(m)
該點距路面高度為8.14(m)
f/h= 0.054/8.14= 0.007 < 0.017,滿足要求。
由結構自重而產生的轉角為:
θ=My*h1/(γ0*γG*E*I)= 3605.87×6.82/(1.00×1.20×210×10^9×5.852×10^-5)= 0.0017(rad)
單根橫梁由此引起的垂直位移為:
fy'=θ*l1= 0.0017×2.76= 0.0046(m)
橫梁的垂直總位移為:
fh=fy+fy'= 0.002+0.0046= 0.007(m)
該撓度可以作為設置橫梁預拱度的依據。
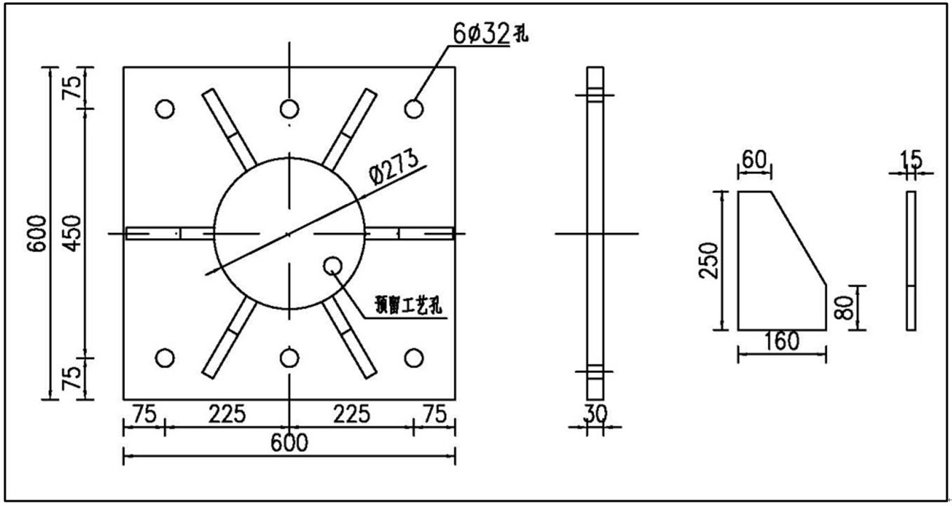
6 立柱和橫梁的連接
連接螺栓采用六角螺栓8M24,查表,每個螺栓受拉承載力設計值[Nt]=54.01(KN),受剪承載力設計值[Nv]=76.92(KN)

螺栓群處所受的外力為:合成剪力Q=2.636(KN),合成彎矩M=4.171(KN*M)
每個螺栓所承受的剪力為:Nv=Q/n= 2.636/8= 0.329(KN)
以橫梁外壁與M方向平行的切線為旋轉軸,旋轉軸與豎直方向的夾角:
α=atan(MG/Mw)= atan(1802.93/3761.45)= 0.447(rad)= 25.61°
則各螺栓距旋轉軸的距離分別為:
螺栓1:y1= 0.159/2 + 0.14×sin(0.447- 1×0.3927)= 0.087(m)
螺栓2:y2= 0.159/2 + 0.14×sin(0.447+ 1×0.3927)= 0.184(m)
螺栓3:y3= 0.159/2 + 0.14×sin(0.447+ 3×0.3927)= 0.219(m)
螺栓4:y4= 0.159/2 + 0.14×sin(0.447+ 5×0.3927)= 0.173(m)
螺栓5:y5= 0.159/2 + 0.14×sin(0.447+ 7×0.3927)= 0.072(m)
螺栓6:y6= 0.159/2 + 0.14×sin(0.447+ 9×0.3927)= -0.025(m)
螺栓7:y7= 0.159/2 + 0.14×sin(0.447+ 11×0.3927)= -0.06(m)
螺栓8:y8= 0.159/2 + 0.14×sin(0.447+ 13×0.3927)= -0.014(m)
螺栓3對旋轉軸的距離最遠,各螺栓拉力對旋轉軸的力矩之和為:
Mb=N3*Σyi^2/y3
其中:Σyi^2= 0.1245(m^2)
Σyi= 0.735(m)
受壓區對旋轉軸產生的力矩為:
Mc=∫σc*(2*(R^2-r^2)^1/2)*(y-r)dy
式中:σc----法蘭受壓區距中性軸y處壓應力
R----法蘭半徑,這里為0.19(m)
r----橫梁截面半徑,這里為0.08(m)
壓應力合力絕對值:
Nc=∫σc*(2*(R^2-r^2)^1/2)dy
又σc/σcmax = (y-r)/(R-r)
根據法蘭的平衡條件:Mb+Mc=M,Nc=ΣNi,求解得:
N3=6.034(KN)
σcmax=1.061(MPa)
6.1 螺栓強度驗算
((Nv/[Nv])^2 + (Nmax/[Nt])^2)^1/2= ((0.329/76.92)^2 + (6.034/54.01)^2)^1/2= 0.112 < 1,滿足要求。
懸臂法蘭盤的厚度是20mm,則單個螺栓的承壓承載力設計值:
Nc= 0.024×0.02×400×10^3= 192(KN),Nv=0.329(KN) <Nc,滿足要求。
6.2 法蘭盤的確定
受壓側受力最大的法蘭盤區隔為三邊支撐板:
自由邊長度:a2=(0.38-0.159)×sin(PI/8)= 0.085(m)
固定邊長度:b2=(0.38-0.159)/2= 0.111(m)
b2/a2= 0.111/0.085= 1.307,查表,α=0.124,因此該區隔內最大彎矩為:
Mmax = α*σcmax*a2^2= 0.124×1.061×0.085^2= 0.942(KNM)
法蘭盤的厚度:
t= (6*Mmax/f)^1/2= [6×941.654/(215×10^6)]^1/2= 5.13(mm) <lt= 20(mm),滿足要求。
受拉側法蘭需要的厚度:
t= {6*Nmax*Lai/[(D+2*Lai)*f]}^1/2= {6×6034×0.061/[(0.02+2×0.061)×215×10^6]}^1/2 = 8.5(mm) <lt= 20(mm),滿足要求。
6.3 加勁肋的確定
由受壓區法蘭盤的分布反力得到的剪力:
Vi= aRi*lRi*σcmax= 0.085×0.111×1.061×10^6(N)= 9.912(KN)
螺栓拉力產生的剪力為:V3=N3= 6.034(KN)
加勁肋的高度和厚度分別為:hRi= 0.20(m), tRi= 0.02(m),則剪應力為:
τR= Vi/(hRi*tRi)= 9911.5/(0.20×0.02)= 2.478(MPa)
設加勁肋與橫梁的豎向連接焊縫的焊腳尺寸hf=0.01(m),焊縫計算長度:lw=0.20(m),則角焊縫的抗剪強度:
τf= Vi/(2*0.7*he*lw)= 9911.5/(2×0.7×0.01×0.20)= 3.457(MPa) < 160(MPa),滿足要求。
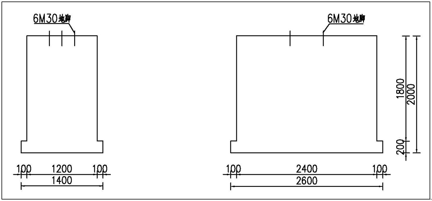
7 柱腳強度驗算

7.1 受力情況
地腳受到的外部荷載:
鉛垂力:G= γ0*γG*G=1.0×0.9×6825.77 = 6143.193(N)
水平力:F=5567.705(N)
式中:γG----永久荷載分項系數,此處取0.9
合成彎矩:M=35181.914(N*m)
扭矩:Mt= 7522.907(N*m)
7.2 底板法蘭受壓區的長度Xn
偏心距:e= M/G= 35181.914/6143.193= 5.727(m)
法蘭盤幾何尺寸:L=0.60(m);B=0.60(m);Lt=0.045(m)
地腳螺栓擬采用6M30規格,受拉側地腳螺栓數目n=3,總的有效面積:
Ae = 3×5.61 = 16.83(cm^2)
受壓區的長度Xn根據下式試算求解:
Xn^3 + 3*(e-L/2)*Xn^2 - 6*n*Ae*(e+L/2-Lt)*(L-Lt-Xn) = 0
Xn^3 + 15.381*Xn^2 + 0.302*Xn - 0.168 = 0
求解該方程,得最佳值:Xn = 0.095(m)
7.3 底板法蘭盤下的混凝土最大受壓應力驗算
混凝土最大受壓應力:
σc= 2 * G * (e + L/2 - Lt) / [B * Xn * (L - Lt - Xn/3)]
= 2×6143.193×(5.727 + 0.60/2 -0.045) / [0.60×0.095×(0.60 - 0.045 - 0.095/3)](Pa)
= 2.469(MPa) <βc*fcc = (1.20×2.20 / 0.60×0.60)^0.5×11.90(MPa)=32.225(MPa),滿足要求!
7.4 地腳螺栓強度驗算
受拉側地腳螺栓的總拉力:
Ta = G*(e - L/2 + Xn/3) / (L - Lt - Xn/3)
= 6143.193×(5.727 - 0.60/2 + 0.095/3) / (0.60 - 0.045 - 0.095/3)(N)
= 64.067(KN) < n*T0 = 3×85.83 = 257.49(KN),滿足要求。
7.5 對水平剪力的校核
由法蘭盤和混凝土的摩擦所產生的水平抗剪承載力為:
Vfb= k(G+Ta)= 0.40×(6.143+64.067)= 28.084(KN) > F = 5.568(KN)
7.6 柱腳法蘭盤厚度驗算
法蘭盤肋板數目為6
對于三邊支承板:
自由邊長 a2 = 0.296(m),固定邊長 b2 = 0.16(m)
b2 / a2 = 0.54,查表得:α = 0.066, 因此,
M1 = α*σc*(a2)^2 = 0.066×2469395.292×0.296^2 = 14401.896(N*m/m)
對于相鄰支承板:
自由邊長 a2 = 0.296(m),固定邊長 b2 = 0.257(m)
b2 / a2 = 0.866,查表得:α = 0.102, 因此,
M2 = α*σc*(a2)^2 = 0.102×2469395.292×0.296^2 = 22204.416(N*m/m)
取Mmax = max(M1, M2) = max(14401.896, 22204.416) = 22204.416(N*m/m)
法蘭盤的厚度:
t = (6*Mmax/fb1)^0.5 = [6×22204.416/(210×10^6)]^0.5 (m) = 25.2(mm) < 30(mm), 滿足要求。
受拉側法蘭盤的厚度:
t = {6 * Na * Lai / [(D + Lai1 + Lai) * fb1]} ^ 0.5
= {6×21355.531×0.267/[(0.03+0.267+0.267)×210×10^6]}^0.5(m) = 17(mm) < 30(mm), 滿足要求。
7.7 地腳螺栓支撐加勁肋
由混凝土的分布反力得到的剪力:
Vi = αri * Lri * σc = 0.296×0.16×2469395.292(N) = 117.148(KN) > Ta/n= 64.067/3= 21.356(KN), 滿足要求。
地腳螺栓支撐加勁肋的高度和厚度為:
高度Hri = 0.25(m), 厚度 Tri = 0.02(m)
剪應力為:τ= Vi/(Hri*Tri) = 117148.113/(0.25×0.02) = 23.43(MPa) <fv = 125.00(MPa), 滿足要求。
加勁肋與標志立柱的豎向連接角焊縫尺寸Hf = 0.01(mm), 焊縫長度Lw = 0.23(mm)
角焊縫的抗剪強度:τ = Vi/(2*Hf*Lw) = 117148.113/(2×0.01×0.23) = 25.467(MPa) < 160(MPa), 滿足要求。
8 基礎驗算
上層基礎寬 WF = 1.20(m), 高 HF = 1.80(m), 長 LF = 2.20(m),下層基礎寬 WF = 1.20(m), 高 HF = 0.20(m), 長 LF = 2.60(m)
基礎的砼單位重量24.0(KN/M^3),基底容許應力290.0(KPa)

8.1 基底應力驗算
基底所受的外荷載為:
豎向荷載:N = Gf + G = 129.024 + 6.826 = 135.85(KN)
式中:Gf----基礎自重,Gf=24.0×5.376=129.024(KN)
G----上部結構自重
水平荷載:H = 5.568(KN)
彎矩:M = ∑Fwbi(Hbi+Hf)+∑Fwpi(Hpi+Hf) = 45.515(KN*m)
1)則基底應力的最大值為:
σmax = N/A+M/W = 135.85/3.12+45.515/1.352 = 77.206(kPa) < [σf] = 290.00(kPa), 滿足要求。
式中:W----基底截面的抗彎模量,W=b*H^2/6
2)基底應力的最小值為:
σmin = N/A-M/W = 135.85/3.12-45.515/1.352 = 9.877(KPa) > 0,滿足要求。
8.2 基礎抗傾覆穩定性驗算
K0 = Lf/(2*e) = 2.60/(2×0.335) = 3.88 > 1.10, 滿足要求。
式中:e----基底偏心距,e=M/N=45514.794/135849.77=0.335(m)
8.3 基礎滑動穩定性驗算
基礎滑動穩定性系數:
Kc = η*N/F = 0.30×135849.77/5567.705 = 7.32 > 1.20, 滿足要求。



文章評論(0)